forza: 70-280t
corsa: 500mm
pressione max di utilizzo: 430-659bar
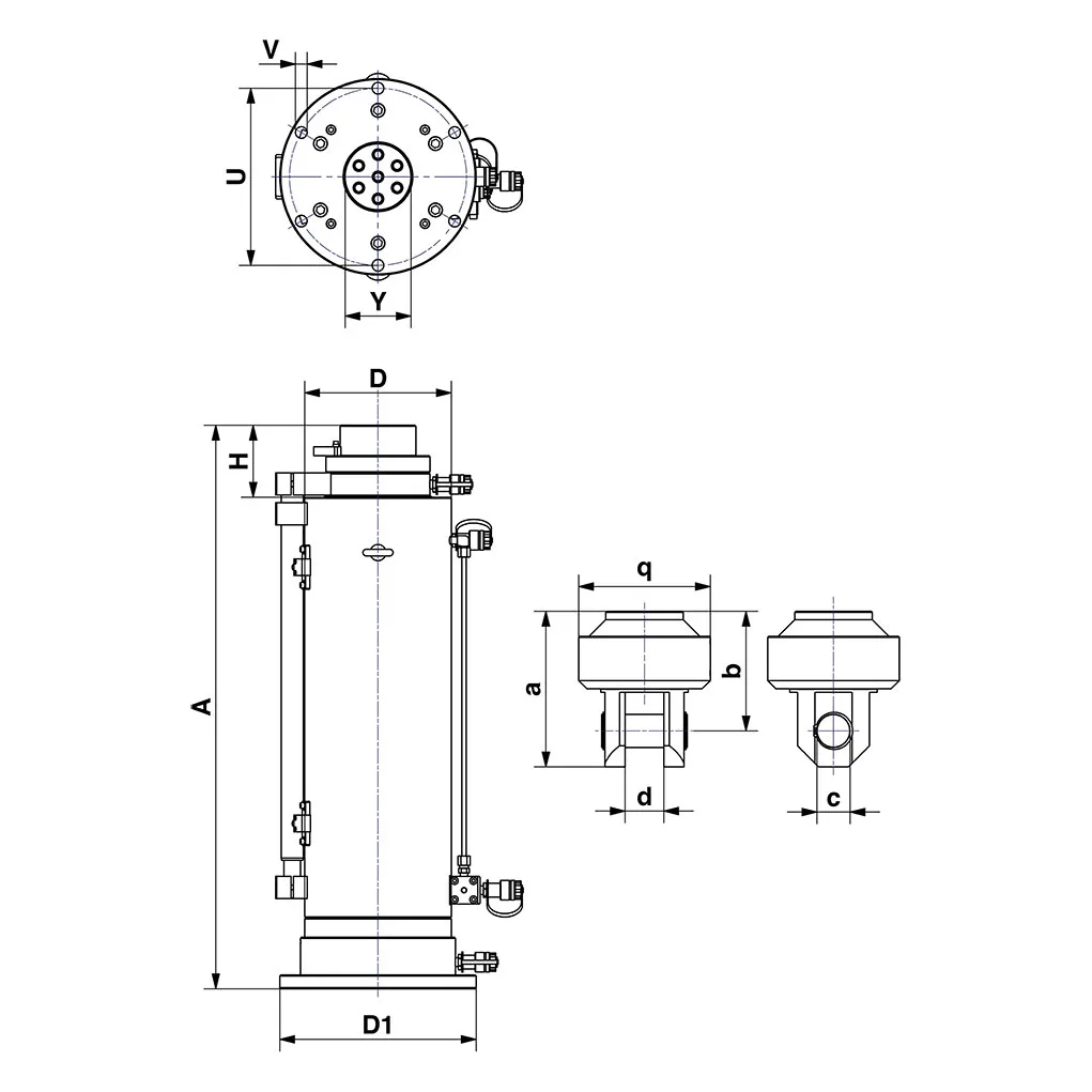
I cilindri per sollevamento a cavi (Strand Jacks) sono una soluzione compatta ed efficace per il posizionamenti di carichi elevati operando sia in sollevamento che in abbassamento. Il principio di funzionamento è quello dei sistemi di precompressione per post tensione, con un fascio di cavi che viene tirato tramite morsetti a cuneo disposti sia alla base del cilindro che all’estremità dello stelo passando attraverso il foro centrale del cilindro stesso. È quindi possibile effettuare sollevamenti di molti metri con corse ripetute del cilindro.
Le testate dotate di morsetti a cuneo sono comandate idraulicamente per bloccare e sbloccare i cunei in modo da poter utilizzare i cilindri anche per operazioni di abbassamento. Una valvola di ritegno pilotata è montata sulla bocca di mandata del cilindro come sicurezza da rotture di tubi e per controllare la discesa sotto carico.
Sensori di posizione disposti sul cilindro permettono di comunicare al sistema di gestione il raggiungimento dei punti di intervento dei comandi di movimentazione per sequenziali opportunamente in relazione alla direzione di spostamento.
Su richiesta i cilindri possono essere dotati di trasduttore lineare di corsa per la visualizzazione della posizione dello stelo. Un bozzello con attacco a forcella e perno è fornito di corredo al cilindro. Dotato anch’esso di morsetti a cuneo per la presa dei cavi, ne permette il facile inserimento, blocco e sblocco dall’esterno. I cilindri sono disegnati per impiegare trefoli standard 0.6” (non forniti) con un coefficiente di sicurezza di 2.5.
Ciò permette di limitare l’usura dei trefoli e dei morsetti a cuneo, che possono perciò essere reimpiegati più volte. L’accesso ai morsetti è comunque facilitato dalla soluzione costruttiva adottata per i cilindri.
Accessori quali rocchetti di avvolgimento trefoli, maniche o altri dispositivi di guida e raccolta possono essere studiati e forniti secondo le esigenze specifiche. Si prevede che ogni cilindro sia azionato da una centralina dedicata, dotata di elettrovalvole per il comando sia del cilindro stesso che delle testate idrauliche di blocco e sblocco morsetti, manometro, cassetta elettrica di alimentazione motore e valvole con connettore per il cavo di comando, quattro tubi flessibili da 5 metri con giunti rapidi. Le centraline specifiche per ciascun cilindro sono illustrate nella tabella relativa.
Sono inoltre disponibili due sistemi di comando dotati di PLC per l’automatizzazione dei movimenti in sollevamento e discesa:
ZMRJ1 per un cilindro singolo, con un selettore a tre posizioni (sollevamento, fermo, discesa) e arresto di emergenza;
ZMRJ4 per comandare fino a 4 cilindri simultaneamente, con 4 selettori a due posizioni per ciascun cilindro per includerlo o escluderlo dall’operazione, un selettore a tre posizioni (sollevamento, fermo, discesa) e arresto di emergenza. Questo sistema esegue cicli di sollevamento e abbassamento in modo automatico operando sui cilindri sulla base dei contatti disposti sul cilindro stesso per determinarne la posizione. Ogni corsa
si conclude quando tutti i cilindri operativi hanno raggiunto il fine corsa, prima che venga comandato il riarmo dei cilindri. Dato che i cilindri sono comandati da centraline di uguale portata, la velocità di spostamento è sostanzialmente uguale per tutti i cilindri ed è così possibile ottenere un semplice ed efficace sistema di sincronizzazione simile ai sistemi split-flow.
|
FORZA |
PRESSIONE |
CORSA |
VOLUME OLIO IN SPINTA |
VOLUME OLIO IN TRAZIONE |
NUMERO CAVI 0,6’’ |
MODELLO |
DIMENSIONI CILINDRO |
Ø FASCIO CAVI |
PESO CILINDRO |
DIMENSIONI BOZZELLO |
PESO BOZZELLO |
|||||||||
|
T* |
BAR |
MM |
DM3 |
DM3 |
MM |
A MM |
Ø D MM |
Ø D1 MM |
H MM |
Ø U MM |
Ø V MM |
Ø Y MM |
KG |
A MM |
B MM |
C MM |
D MM |
Q MM |
KG |
|
|
70 730 |
430 |
500 |
9.33 |
3.46 |
7 |
COJ70N500 |
1118 |
265 |
355 |
130 |
320 |
21 |
100 |
328 |
281 |
216 |
60 |
70 |
238 |
46 |
|
120 1251 |
553 |
500 |
12.44 |
4.49 |
12 |
COJ120N500 |
1162 |
360 |
455 |
130 |
420 |
21 |
150 |
633 |
371 |
286 |
80 |
90 |
315 |
110 |
|
160 1600 |
594 |
500 |
14.82 |
6.87 |
15 |
COJ160N500 |
1162 |
370 |
455 |
130 |
420 |
21 |
150 |
640 |
371 |
286 |
90 |
90 |
315 |
120 |
|
200 1981 |
655 |
500 |
16.63 |
5.18 |
19 |
COJ200N500 |
1175 |
425 |
515 |
132 |
480 |
21 |
175 |
910 |
431 |
326 |
100 |
110 |
398 |
215 |
|
280 2816 |
659 |
500 |
23.50 |
9.46 |
27 |
COJ280N500 |
1187 |
520 |
615 |
132 |
580 |
21 |
220 |
1340 |
491 |
376 |
110 |
130 |
455 |
323 |
|
MODELLO CENTRALINA |
Adatto a cilindri |
PRESSIONE MAX |
PRESSIONE 1° STADIO |
PORTATA 1° STADIO |
PORTATA 2° STADIO |
CAPACITÀ SERBATOIO |
CAPACITÀ UTILE |
POTENZA MOTORE |
TENSIONE |
VELOCITÀ MAX |
|
bar |
bar |
l/min |
l/m |
l |
l |
kW |
m/h |
|||
|
MEK30ESJ |
COJ70N500 |
430 |
70 |
11.6 |
1.6 |
30 |
22 |
2.2 |
400v 50Hz |
4.9 |
|
MEV30ESJ |
COJ120N500 |
553 |
85 |
10 |
2.5 |
30 |
20 |
3.0 |
5.5 |
|
|
COJ160N500 |
594 |
4.6 |
||||||||
|
COJ200N500 |
655 |
4.2 |
||||||||
|
COJ280N500 |
659 |
3 |





Tutti i prodotti EUROPRESS sono coperti da garanzia di un anno contro difetti di materiale e/o di lavorazione.
La garanzia non copre la normale usura, l’utilizzo improprio o comunque non conforme alle istruzioni, l’utilizzo di fluidi non idonei, le modifiche e/o alterazioni (incluse quelle conseguenti a riparazioni o tentativi di riparazione effettuati da terzi non autorizzati da EURO PRESS PACK), i danni causati dal trasporto.
Sono esclusi da questa garanzia tutti i componenti elettrici, i motori, le elettrovalvole e comunque tutti i prodotti non realizzati da EURO PRESS PACK che sono garantiti separatamente dal rispettivo costruttore.
Per denunciare vizi, difetti, difformità e/o per chiedere un intervento in garanzia il cliente dovrà inviare una comunicazione scritta a EURO PRESS PACK entro e non oltre il termine essenziale di 5 giorni dal ricevimento della merce o, in caso di difetto occulto, entro e non oltre 5 giorni dalla scoperta della difformità stessa.
L’acquirente, prima di restituire la merce a EURO PRESS PACK per eventuali interventi in garanzia, dovrà essere autorizzato espressamente da EURO PRESS PACK.
Se il prodotto o il componente costruito da EURO PRESS PACK verrà ritenuto difettoso da EURO PRESS PACK stessa, e ciò a suo insindacabile giudizio, verrà riparato o sostituito gratuitamente.
Le spese di trasporto da e per EURO PRESS PACK sono a carico dei clienti.
Nel caso venga richiesto un intervento sul posto del personale EURO PRESS PACK o dei nostri Distributori autorizzati per la messa in opera delle parti da sostituire (quando sia stato accertato che rientrino nelle condizioni di garanzia), verranno addebitate le spese di trasferta, le ore e le spese di viaggio, rimanendo a carico di EUROPRESS PACK, o del suo Distributore autorizzato, le sole ore di effettivo lavoro.
LA GARANZIA DI CUI SOPRA È L’UNICA ED ESCLUSIVA RICONOSCIUTA DA EURO PRESS PACK E SOSTITUISCE QUALSIASI ALTRA GARANZIA SIA ESPRESSA SIA IMPLICITA SUI PRODOTTI DA ESSA COSTRUITI E COMMERCIALIZZATI, RELATIVAMENTE ALLA LORO COMMERCIABILITÀ E ALLA LORO IDONEITÀ PER USI SPECIFICI.
SI PRECISA L’ESPRESSA ESCLUSIONE DI OGNI ONERE E/O RESPONSABILITÀ DI EURO PRESS PACK RELATIVAMENTE A:
LA GARANZIA NON OPERA IN CASO DI MANCATO PAGAMENTO, ANCHE PARZIALE, DELLA MERCE FORNITA, IVI INCLUSE FATTURE RELATIVE AD EVENTUALI SERVIZI DI ASSISTENZA TECNICA.
L’ammontare massimo dell’importo pagabile da EURO PRESS PACK a titolo di risarcimento è comunque e in ogni caso limitato al prezzo di acquisto effettivamente corrisposto e di conseguenza mai eccederà tale prezzo.
In caso di merci smarrite durante il trasporto si prega contattare l’azienda entro 30 giorni dallo smarrimento: sales@europresspack.it
CERTIFICAZIONI DI QUALITA’
EURO PRESS PACK è un’azienda attenta da sempre alle normative sulla qualità. Questo significa che i prodotti sono interamente progettati e sviluppati secondo modalità che rispettano le Norme di Buona Fabbricazione. Per garantire ai cliente il miglior standard qualitativo possibile sono eseguiti tutti i controlli necessari affinchè il prodotto finito sia realizzato e controllato conformemente alle procedure definite, assicurando così che il sistema di qualità sia efficiente, controllato e documentato.
QUALITY SYSTEM CERTIFICATE ISO 9001
Certificazione di sistema valida per progettazione e produzione, commercializzazione ed assistenza di componenti oleodinamici ad alta pressione.
ENVIRONMETAL SYSTEM CERTIFICATE ISO 14001
Certificazione di sistema valida per progettazione e produzione attraverso le fasi di taglio, lavorazioni meccaniche, trattamenti superficiali, assemblaggio, prove e collaudi, imballaggio, commercializzazione ed assistenza di componenti oleodinamici ad alta pressione.
ANSI B30.1
Tutti i cilindri in acciaio corrispondono ai criteri di progettazione stabiliti dall’American National Standards Institute ( ad eccezione dei modelli serie CGS#P#, CGG#P# e CGR ).
EN 60204-1
L’equipaggiamento elettrico delle macchine è realizzato secondo i criteri stabiliti dalla EN60204-1.
SAE 100R10
I tubi a 700 bar sono eccedenti questa normativa.
Direttive CE 2006/42/CE – CE 2006/95/CE – CE 2004/108/CE
Tutte le nostre centraline sono conformi alle normative CE sulla direttiva macchine, bassa tensione e compatibilità elettromagnetica.
Marchio CE di conformità
Tutti i prodotti EUROPRESS soddisfano i requisiti delle normative europee vigenti in termini di sicurezza.
Esclusi alcuni sistemi o utensili che sono progettati per un uso specifico e che sono quindi certificati come macchine, tutti i cilindri di uso generico, le pompe e le centraline sono accompagnati da certificato per incorporazione, quindi la certificazione CE del sistema è a cura del costruttore della macchina in cui tali componenti vengono montati.
Grazie ai nostri rapidissimi tempi di consegna non avrai bisogno di investire in magazzino per dare un buon servizio ai tuoi clienti